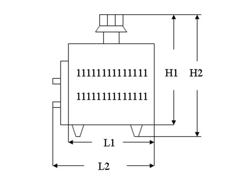
单相手动调压器外形尺寸重量一栏表

单相手动调压器外形尺寸重量一栏表